產品概述
(吹掃型)粉塵濃度檢測儀采用準確可靠的交流靜電測量技術,可實現實時在線監測粉塵濃度。
儀器采用一體式設計,集粉塵濃度傳感器、變送器一體,操作簡單,安裝方便。儀器為吹掃型設計,防止粉塵沾染傳感器,確保粉塵濃度測量的準確性。
(吹掃型)粉塵濃度檢測儀可應用于脫硫脫硝、濕法除塵、干法除塵設備的管道、煙道等。應用行業廣泛:電力、冶金、水泥、制藥、化工、食品制造等行業。
(吹掃型)粉塵濃度檢測儀采用準確可靠的交流靜電測量技術,可實現實時在線監測粉塵濃度。
儀器采用一體式設計,集粉塵濃度傳感器、變送器一體,操作簡單,安裝方便。儀器為吹掃型設計,防止粉塵沾染傳感器,確保粉塵濃度測量的準確性。
(吹掃型)粉塵濃度檢測儀可應用于脫硫脫硝、濕法除塵、干法除塵設備的管道、煙道等。應用行業廣泛:電力、冶金、水泥、制藥、化工、食品制造等行業。
工作原理
(吹掃型)粉塵濃度檢測儀采用準確可靠的交流靜電測量技術。當管道內含有粉塵粒子 的氣流經過一個固定的傳感器時,粉塵粒子在運動中所產生的微弱電流被傳感器采集并傳送至變送器。經變送器過濾、放大,并處理成為一個與粉塵含量成線性關系的標準輸出值。產品優點:
1. 產品采用先進的電荷感應技術,對粉塵的探測靈敏度高,產品實時在線連續檢測,數據精準2. 特小量程、特大量程均可定制。
3. 測量介質范圍寬泛,可測量常見介質的粉塵,可廣泛應用于各個行業
4. 性能穩定,可應用于各類設備管道、煙道
5. 儀器吹掃型設計,防止粉塵沾染,確保傳感器的精確測量
產品特性:
1. (吹掃型)粉塵濃度檢測儀由傳感器單元、變送器單元組成的一體化結構。2. 專用傳感器為無電子電路,無源被動型。靈敏度高,不受震動影響,無粉塵沾染, 可靠性高,壽命長。
3. 變送器輸出的電流信號與傳感器單元電氣隔離,實現輸出電流信號的無干擾傳輸。
4. 二線制(4-20mA)電流信號生輸出,抗干擾能力強,易于遠距離傳輸,對傳輸導線無特殊要求。輸出電流與粉塵濃度成線性關系,方便后續的 PLC 數據處理。
5. 模塊化設計,可單獨更換傳感器單元、變送器單元。
6. 長壽命,全金屬外殼、連接件。
應用場合:
1. TRT 發電、煤氣化裝置2. 粉狀材料回收
3. 固定污染源的粉塵排放檢測
4. 各種燃料鍋爐的煙塵排放濃度監測
5. 過程粉塵輸送總量監測
應用行業:
(吹掃型)粉塵濃度檢測儀廣泛應用于各種工業用途;包括:煉鋼、發電、石油、化工、煙草行業、醫藥、建材加工、紙漿和造紙、采煤和采礦、輪胎行業、水泥制造、焚燒爐和包裝等行業。
儀器安裝及工作流程圖
儀器的安裝安裝位置
傳感器最好裝在距閥門、彎頭 5 倍以上管徑處,在水平管道安裝時,不得裝在底部。注意:對多個箱體并聯運行的煤氣除塵系統,應在被測除塵箱體的出口處進入凈煤氣總管前的管道上開孔,將固定傳感器的底座接口端垂直焊接在直管段較長的水平管道頂部。
安裝方式:
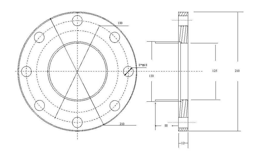
1、在管道上開孔(開孔尺寸見法蘭圖紙)2、將法蘭底座焊接在管道上
3、將固定傳感器的底座接口端垂直焊接在直管段較長的水平管道頂部
注意:底座底端與管道內壁持平或突出管道內壁。底座由儀表廠家配套供應。
儀器操作流程
(一)將配套控制箱接 220V 電源(二)在儀器安裝在管道后,電纜信號線將控制箱與儀器接線端子連接儀器接線:
傳感器接線盒為防雨式,信號電纜通過接線盒上的穿線孔,直接接到盒內的接線端子,然后壓緊密封膠圈。
注意:外引電纜應就近固定,以防風雨中來回擺動,造成傳輸導線的機械損傷。步驟:
1、信號電纜穿進接線盒上的穿線孔

2、接到盒內的接線端子,然后壓緊密封膠圈。
注意:端子為分體結構,請從電路板上拔下,然后進行接線

3、儀器工作需要氣源,要求壓力 4-7kg 。
將輸送氣體的 PU 軟管,連接氣源與粉塵儀進氣口。(進氣口為 10mm 快速接頭 )
注意:端子為分體結構,請從電路板上拔下,然后進行接線

3、儀器工作需要氣源,要求壓力 4-7kg 。
將輸送氣體的 PU 軟管,連接氣源與粉塵儀進氣口。(進氣口為 10mm 快速接頭 )
工作示意圖

儀器工作流程圖

技術參數
| 管道氣體壓力 | -0.1Mpa~1 Mpa |
| 輔助氣源壓力 | 0.1MPa~0.5MPa |
| 管道氣體溫度 | -50℃~260℃ (其它溫度可定制) |
| 管道外徑 | 250mm~ 3000mm |
| 傳感器結構 | MT16 稀土非晶合金 |
| 粉塵粒徑 | 0.3um~1000um |
| 粉體材料 | 包括:石墨,二氧化錳,灰塵,煤粉,煙塵,生石灰等各種顆粒物 |
| 操作環境電磁場 | 在 50 赫茲時最高值=60A/m |
| 操作環境濕度 | 不結露 90% |
| 操作環境溫度 | -40℃~85℃(電子部件) |
| 操作環境振動 | 最高連續震蕩量,任何方向、任何頻率:均方根值 2g(20m/s2) |
| 操作環境保護 | 保護等級:IP66/NEMA4 鋁合金殼體 |
| 變送器電源 | 24V(15V~32V 范圍內可用) |
| 變送器輸出 | 4 ~ 20mA 隔離輸出 |
| 響應時間 | 1S(輔助氣源連續工作),15S(輔助氣源脈沖工作) |
| 功耗 | 最大 3W |
| 精度等級 | 滿量程的 5% |
| 測量范圍 | 0-20mg/0-50mg/100mg/200mg/1000mg/30g/100g/m³ 量程范圍可定制 |
| 零點漂移 | 低于 1% |
| 滿量程漂移 | 低于 1% |
| 輔助氣源 | 空氣、氮氣 |
| 輔助氣體消耗 | 5m3(連續方式),0.2m3(脈沖方式) |
控制箱參數
| 工作條件 |
電源 | 220V |
| 環境溫度 | -25℃~ 85℃ | |
| 環境濕度 | <90% | |
| 工作噪聲 | <60dB | |
| 防護等級 | IP66 | |
| 輸入 | 模擬量 | DC4-20mA |
| 輸出顯示 | RS485 | |
| 繼電器觸點 | 220VAC3A | |
| 報警輸出 | 聲光報警 | |
| 實時顯示粉塵濃度 | ||